全部商品分类
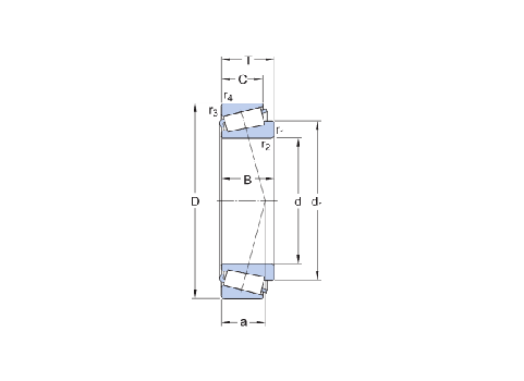
  • 型号

  • 主要尺寸 内径(d)

    ( 101.6 )mm

    ( 111.125 )mm

    ( 114.3 )mm

    ( 120.65 )mm

    ( 133.35 )mm

    ( 152.4 )mm

  • 主要尺寸 外径(D)

    ( 212.725 )mm

    ( 214.312 )mm

    ( 234.95 )mm

    ( 254 )mm

    ( 273.05 )mm

  • 主要尺寸 装配高(T)

    ( 55.562 )mm

    ( 63.5 )mm

    ( 66.675 )mm

    ( 77.788 )mm

    ( 82.55 )mm

单列圆锥滚子轴承

产品参数
PDF
下载
询价 型号 主要尺寸 额定载荷(KN) 极限转速(rpm) 重量(kg)
内径(d) 外径(D) 装配高(T) 内图宽(B) 外图宽(C) Cr Cor 脂润滑 油润滑
咨询热线:
15888886666
在线客服:
官方小程序:
公司官网: www.